| 注意:访问本站需要Cookie和JavaScript支持!请设置您的浏览器! • 打开购物车 • 查看留言 • 付款方式 • 联系我们 | 
|  | 
| 首页 | 电子入门 | 学单片机 | 免费资源 | 下载中心 | 商品列表 | 象棋在线 | 在线绘图 | 加盟五一 | 加入收藏 | 设为首页 | 
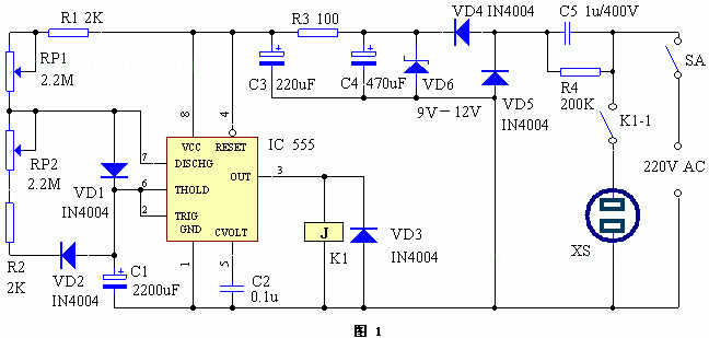
| 选择分类:当前分类——实用电路   相关联或者相类似的文章:    飞行写真(505) 器件的筛选与检测(505) 测电流法(505) 几款直流升压电路(504) 28. 数字电压表(503) 防抖动轻触开关(503) 重复式定时电路(503) 外星人来的那一天(503) 巧购电子元器件(502) 常用运算放大器(502) 怎样利用音乐改善心理状态?(502) 单片机可编程广播自动播出系统(502) 小小电容之大大观(502) 315MHz无线红外探测器(502) 电子高压灭蝇器电路图解(500) 只要1750元 穷人也能DIY投影机[图](500) 电子点火器电路图及工作原理分析(500) 购物21个月后以诚信为理由要求退款(500) 看过别笑 千元自制投影机到底啥模样(500) 8路红外遥控开关控制器(可扩展为32路)(500) 首页 前页 后页 尾页  本站推荐: | 重复式定时电路 作者:武峰 来源:未知 
   这是一种用555时基集成电路构成的重复式定时电路(又称双重式定时电路或双向定时电路)。所谓重复式定时电路即指它能使被控电器重复地定时工作和停止,也就是说,它不仅能使被控电器定时关闭,而且在关闭之后还能再自动的定时开启。  1、 本站不保证以上观点正确,就算是本站原创作品,本站也不保证内容正确。  2、如果您拥有本文版权,并且不想在本站转载,请书面通知本站立即删除并且向您公开道歉! | 
| 本站协议 |
 版权信息 | 
 关于我们 | 
 本站地图 | 
 营业执照 | 
 发票说明 | 
 付款方式 | 
 联系方式 深圳市宝安区西乡五壹电子商行——粤ICP备16073394号-1;地址:深圳西乡河西四坊183号;邮编:518102 E-mail:51dz$163.com($改为@);Tel:(0755)27947428 工作时间:9:30-12:00和13:30-17:30和18:30-20:30,无人接听时可以再打手机13537585389 |